Wiring Kit for LP-type Guitars, CTS + SwitchCraft Upgade (Cream)
Regular price
$49.00 USD
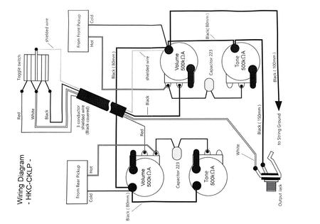
Wiring kit for Les Paul type Guitars with cream knob and cream toggle switch plate.
Contents:
550K CTS pots (x4)
Toggle switch + Cream Rhythm/Treble Toggle switch plate
Switch Craft output jack + Cream Knob
223 (0.022μf) Capacitors (x2)
Shielded wires with ends stripped ready to solder.
Nuts, washers and lock washers
Wiring diagram
Quality components, made in Japan.
